Die elektromagnetischen Scheibenbremsen der Ringspann-Baureihen EV/ EH zur Realisierung von Halte- und Not-Stopp-Systemen sind bekannt. Nun präsentiert das Unternehmen eine neue Generation von Elektrobremsen mit außergewöhnlicher Schaltperformance und neuer Schließtechnik.
Die neuen Elektrobremsen von Ringspann überzeugen hinsichtlich ihrer Schaltperformance, Energieeffizienz und ihres Designs.
(Bild: Ringspann)
Ihre geschlossene Formgebung folgt den Regeln des modernen Industriedesigns, ihre hohen Schaltzahlen erschließen dem Anwender erweiterte Leistungs- und Flexibilitätspotenziale und ihr Energiebedarf ist nur minimal. Darüber hinaus verfügen sie über eine intelligente Elektronik und arbeiten mit einer hocheffizienten Schließmechanik. Gemeint sind die neuen federbetätigten und elektromagnetisch gelüfteten Scheibenbremsen der Baureihe MV von Ringspann.
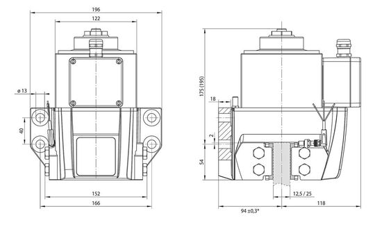
Ausgelegt für Klemmkräfte von bis zu 25.000 N und serienmäßig verfügbar für Bremsscheiben-Durchmesser von 300 bis 710 mm sind die neuen federbetätigten und elektromagnetisch gelüfteten Scheibenbremsen der Baureihe MV.
(Bild: Ringspann)
Ausgelegt für Klemmkräfte von bis zu 25.000 N und serienmäßig verfügbar für Bremsscheiben-Durchmesser von 300 bis 710 mm decken sie eine große Bandbreite von Halte-, Not-Stopp- und Verzögerungs-Applikationen im Maschinen- und Anlagenbau ab. Zu ihren typischen Einsatzgebieten zählen der Werkzeugmaschinenbau, die Turbinen-, Ventilatoren- und Lüftertechnik, die Winden- und Wickeltechnik, die Windkraftindustrie sowie die allgemeine Antriebstechnik. Dabei sind sie vor allem für jene Konstrukteure attraktiv, die Anwendern und Betreibern den hohen Installations- und Wartungsaufwand hydraulischer und pneumatischer Bremssysteme ersparen wollen.
Der Innovationssprung ist in diesem Fall so groß, dass wir hier guten Gewissens von einer neuen Bremsengeneration sprechen können.
Franz Eisele, Leiter der Sparte Bremsen und Kupplungen bei Ringspann.
Außergewöhnliche Schaltperformance und neue Schließtechnik
Rein chronologisch betrachtet ließen sich die elektromagnetischen Scheibenbremsen der neuen Baureihe MV auch als Weiterentwicklung der weithin etablierten E-Brake-Serien EV/EH sehen. „Allerdings ist der Innovationssprung in diesem Fall so groß, dass wir hier guten Gewissens von einer neuen Bremsengeneration sprechen können“, sagt Franz Eisele, der bei Ringspann die Sparte Bremsen und Kupplungen leitet. Maßgebend für diese Sichtweise sind – neben dem modernen Industriedesign der Bremsen – vor allem zwei technische Aspekte: Ihre außergewöhnliche Schaltperformance und eine neue Schließtechnik.
Mit serienmäßig bis zu 550 Schaltungen pro Stunde im 230 VAC-Betrieb und bis zu 450 Schaltungen pro Stunde im 400 VAC-Betrieb dürften die neue MV-Bremssättel von Ringspann derzeit zu den schnellsten und agilsten Elektro-Scheibenbremsen auf dem Weltmarkt gehören.
(Bild: Ringspann)
Mit serienmäßig bis zu 550 Schaltungen pro Stunde im 230 VAC-Betrieb und bis zu 450 Schaltungen pro Stunde im 400 VAC-Betrieb dürften die MV-Bremssättel derzeit zu den schnellsten und agilsten Elektro-Scheibenbremsen auf dem Weltmarkt gehören. In Kombination mit ihrer geschlossenen, robusten Bauform prädestiniert sie das für den Einsatz in anspruchsvollen Umgebungen mit häufigen Bremsvorgängen. Derzeit noch laufende Testläufe von Ringspann lassen erwarten, dass für die MV-Baureihe ein B10d-Wert von etlichen Millionen Schaltzyklen erreicht wird.
Hinzu kommt: Die neue, inzwischen patentierte Schließmechanik verleiht den Bremsen einen überdurchschnittlich großen Lüftspalt bei nur minimalem Federkraftverlust während dessen Überbrückung. „Dadurch deckt die neue Baureihe MV auf dem Gebiet der elektromagnetischen Bremsen einen außergewöhnlich großen Anwendungsbereich ab“, erläutert Franz Eisele. Ebenfalls erwähnenswert ist die integrierte schwimmende Lagerung der Bremsen, die kleine axiale Asymmetrien der Bremsscheibe ausgleicht.
Wissen
Was bedeutet B10- und B10d-Wert?
Der B10-Wert ist ein statistischer Faktor, ermittelt aus Lebensdauerversuchen mit einer entsprechenden Anzahl von Prüflingen. Er steht für die mittlere Zahl von Schaltspielen bzw. -zyklen einer Einheit, nach der mit maximal zehn Prozent Ausfällen zu rechnen ist. Der Wert gilt unter definierten Bedingungen; als Ausfall wird das Überschreiten vorgegebener Grenzwerte (Schaltzeit, Leckage…) bezeichnet. Zu beachten ist, dass ein Bauteil schon vor dem Erreichen des B10-Wertes ausfallen kann. Die angegebene Überlebenswahrscheinlichkeit stellt daher keine Herstellergarantie dar. Der B10d-Wert gibt nach ISO 13849-1 die Zahl der Schaltspiele bzw. -zyklen an, nach der es bei zehn Prozent der betrachteten Einheiten zu gefährlichen Ausfällen kommt („d“ steht für „dangerous“). Der Wert hat Relevanz für Risiko- und Gefährdungsanalysen sowie für die Bewertung der Maschinen- oder Anlagensicherheit.
Mit Blick auf moderne Industrie-4.0-Anwendungen haben wir sichergestellt, dass sich die sensortechnischen Überwachungsfunktionen in übergeordnete Sicherheits- und Steuerungssysteme integrieren lassen.
Franz Eisele, Leiter der Sparte Bremsen und Kupplungen bei Ringspann.
Sensorisches Monitoring der Bremsenfunktion möglich
Ringspann bietet die neuen Scheibenbremsen vom Typ MV für Betriebsspannungen von 220 bis 240 VAC und 380 bis 480 VAC an. In Sachen Energieeffizienz knüpfen sie an die Werte der EV/EH-Serie an. Optional anbringen lässt sich zudem ein Induktivgeber für das sensorische Monitoring der Bremsenfunktion (offen/ geschlossen) und den Verschleißgrad des Bremsbelags. Der Reibklotztausch ist mit wenigen Handgriffen und ohne Demontage der Bremse erledigt. Bremsmoment und Klemmkraft können einfach und genau über eine Stellmutter auf den Einsatzfall abgestimmt werden. Ebenfalls optional gibt es einen Hebel zum manuellen, kontrollierten Öffnen der Bremse. „Mit Blick auf moderne Industrie-4.0-Anwendungen haben wir zudem sichergestellt, dass sich die sensortechnischen Überwachungsfunktionen in übergeordnete Sicherheits- und Steuerungssysteme integrieren lassen“, betont Franz Eisele. All das sind wichtige Beiträge zur Verbesserung der Effizienz, Betriebssicherheit und Verfügbarkeit industrieller Antriebssysteme.
Erweiterter Spielraum für Konstrukteure
Über sein bisheriges Portfolio an Elektroscheibenbremsen hinaus kann Ringspann den Konstrukteuren antriebstechnischer Systeme in der neuen Baureihe MV nun sechs weitere Grundtypen der E-Brakes bereitstellen. Sie sind ab sofort in den drei Rahmengrößen 022, 033 und 044 mit Klemmkräften von 4 bis 25 kN lieferbar und lassen sich sehr flexibel als Halte-, Not-Stopp- oder Betriebsbremsen einsetzen:
Die Rahmengröße 022 eignet sich für Bremsscheiben der Dicken 12,5 und 20 mm,
die Größe 033 für 12,5 und 25 mm dicke Scheiben und
bei der Größe 044 können die Bremsscheiben 25 und 30 mm dick ausfallen.
Kompaktes Design und geringes Gewicht
Konstruktive Vorteile ergeben sich zudem durch das kompakte Design und das geringe Eigengewicht.
(Bild: Ringspann)
Im Zusammenspiel mit dickeren Bremsscheiben lassen sich die MV-Bremsen der Baugrößen 033 und 044 auch für thermisch heikle Bremsvorgänge einsetzen. Konstruktive Vorteile ergeben sich zudem durch das kompakte Design und das geringe Eigengewicht. „Beides erweist sich als Pluspunkt für alle Fälle, bei denen die Bremse integrierter Teil einer bewegten Einheit ist", erläutert Franz Eisele.
Stand: 08.12.2025
Es ist für uns eine Selbstverständlichkeit, dass wir verantwortungsvoll mit Ihren personenbezogenen Daten umgehen. Sofern wir personenbezogene Daten von Ihnen erheben, verarbeiten wir diese unter Beachtung der geltenden Datenschutzvorschriften. Detaillierte Informationen finden Sie in unserer Datenschutzerklärung.
Einwilligung in die Verwendung von Daten zu Werbezwecken
Ich bin damit einverstanden, dass die Vogel Communications Group GmbH & Co. KG, Max-Planckstr. 7-9, 97082 Würzburg einschließlich aller mit ihr im Sinne der §§ 15 ff. AktG verbundenen Unternehmen (im weiteren: Vogel Communications Group) meine E-Mail-Adresse für die Zusendung von redaktionellen Newslettern nutzt. Auflistungen der jeweils zugehörigen Unternehmen können hier abgerufen werden.
Der Newsletterinhalt erstreckt sich dabei auf Produkte und Dienstleistungen aller zuvor genannten Unternehmen, darunter beispielsweise Fachzeitschriften und Fachbücher, Veranstaltungen und Messen sowie veranstaltungsbezogene Produkte und Dienstleistungen, Print- und Digital-Mediaangebote und Services wie weitere (redaktionelle) Newsletter, Gewinnspiele, Lead-Kampagnen, Marktforschung im Online- und Offline-Bereich, fachspezifische Webportale und E-Learning-Angebote. Wenn auch meine persönliche Telefonnummer erhoben wurde, darf diese für die Unterbreitung von Angeboten der vorgenannten Produkte und Dienstleistungen der vorgenannten Unternehmen und Marktforschung genutzt werden.
Meine Einwilligung umfasst zudem die Verarbeitung meiner E-Mail-Adresse und Telefonnummer für den Datenabgleich zu Marketingzwecken mit ausgewählten Werbepartnern wie z.B. LinkedIN, Google und Meta. Hierfür darf die Vogel Communications Group die genannten Daten gehasht an Werbepartner übermitteln, die diese Daten dann nutzen, um feststellen zu können, ob ich ebenfalls Mitglied auf den besagten Werbepartnerportalen bin. Die Vogel Communications Group nutzt diese Funktion zu Zwecken des Retargeting (Upselling, Crossselling und Kundenbindung), der Generierung von sog. Lookalike Audiences zur Neukundengewinnung und als Ausschlussgrundlage für laufende Werbekampagnen. Weitere Informationen kann ich dem Abschnitt „Datenabgleich zu Marketingzwecken“ in der Datenschutzerklärung entnehmen.
Falls ich im Internet auf Portalen der Vogel Communications Group einschließlich deren mit ihr im Sinne der §§ 15 ff. AktG verbundenen Unternehmen geschützte Inhalte abrufe, muss ich mich mit weiteren Daten für den Zugang zu diesen Inhalten registrieren. Im Gegenzug für diesen gebührenlosen Zugang zu redaktionellen Inhalten dürfen meine Daten im Sinne dieser Einwilligung für die hier genannten Zwecke verwendet werden. Dies gilt nicht für den Datenabgleich zu Marketingzwecken.
Recht auf Widerruf
Mir ist bewusst, dass ich diese Einwilligung jederzeit für die Zukunft widerrufen kann. Durch meinen Widerruf wird die Rechtmäßigkeit der aufgrund meiner Einwilligung bis zum Widerruf erfolgten Verarbeitung nicht berührt. Um meinen Widerruf zu erklären, kann ich als eine Möglichkeit das unter https://contact.vogel.de abrufbare Kontaktformular nutzen. Sofern ich einzelne von mir abonnierte Newsletter nicht mehr erhalten möchte, kann ich darüber hinaus auch den am Ende eines Newsletters eingebundenen Abmeldelink anklicken. Weitere Informationen zu meinem Widerrufsrecht und dessen Ausübung sowie zu den Folgen meines Widerrufs finde ich in der Datenschutzerklärung, Abschnitt Redaktionelle Newsletter.
Ringspann bietet die neuen MV-Bremsen in Ausführungen mit manueller Verschleißnachstellung (Bautyp FEM) sowie in einer Variante mit automatischer Verschleißnachstellung (Bautyp FEA). Während sich die manuelle Nachstellung primär für Halteanwendungen oder Applikationen mit eher seltenen Bremsungen eignet, empfiehlt sich die automatische Verschleißnachstellung vorrangig für Betriebsbremsen mit anspruchsvollen Verzögerungsaufgaben.
* Michael Stöcker ist freier Fachjournalist in Darmstadt.