Fluid-Konstruktion Smartes Fluid-Engineering beschleunigt Sondermaschinenbau
Sondermaschinen für die Integration in Fertigungslinien sind eine Spezialität von Schaufler Engineering in Klosterneuburg. Das Unternehmen setzt bei der Antriebstechnik seiner Sondermaschinen auf Pneumatik und beschleunigt seine Entwicklung mit der smarten CAE-Software Eplan Fluid. Das Engineering-Werkzeug beinhaltet alle erforderlichen Logikfunktionen und beschleunigt mit Automatismen die Projektierung und Dokumentationserstellung für fluidtechnische Anlagen.
Anbieter zum Thema

Zerspanend gefertigte Metallteile brauchen vor der Weiterverarbeitung oder Montage meist eine Oberflächenbehandlung. Im Fall von Automobilteilen sollte diese direkt im Materialfluss und im Arbeitstakt der vor- und nachgelagerten Maschinen erfolgen. Innerhalb einer Fertigungsstraße sind meist nur wenige unterschiedliche Teile zu behandeln, die Aufgaben der Behandlungsanlagen sind eng umrissen. Obwohl es ein breites Angebot an Maschinen und Anlagen dafür gibt, setzt die Automobilindustrie häufig kundenspezifisch entwickelte Transferanlagen ein, zum Beispiel von Schaufler Engineering.
Pneumatik sorgt für unabhängige, komplexe Bewegungen
Kundenspezifische Anlagen für das Reinigen, Beschichten und Entgraten sowie das Fördern von Dreh- und Frästeilen sind eine der Spezialitäten des Sondermaschinenbauers. Das Unternehmen hat seinen Schwerpunkt dabei auf Maschinen, deren komplexe Bewegungen überwiegend pneumatisch ausgeführt werden. So sind sie in ihrer Funktion weitgehend von der umgebenden Linie unabhängig und kommen ohne Daten- und Softwareschnittstellen zu diesen aus.
„Meist umfasst eine Transferlinie Gewerke zahlreicher Maschinen- und Anlagenbauer. Da ist es wichtig, nicht zu viele Schnittstellen bedienen zu müssen“, sagt Michael Albich, Fluidkonstrukteur bei Schaufler Engineering. „Abgeschlossene, rein mechanisch-pneumatische Maschinen zu entwickeln ermöglicht uns, fertig getestete Einheiten zu liefern und so den Zeitbedarf für Montage und Inbetriebnahme zu begrenzen.“
Transferanlage mit bedarfsgesteuerter Geschwindigkeit
Ein repräsentatives Beispiel dafür ist eine Transferanlage, die frisch überfräste LKW-Zylinderköpfe automatisch per Prozessmedium von Spänen und Kühl-/Schmiermittelrückständen befreit. „Nach der Vorreinigung mittels einer vorgeschalteten Luftbürste (Air Knife) erreicht der Zylinderkopf den 1200 mm langen, 1500 mm breiten und 1000 mm hohen Prozesssraum“, beschreibt Michael Albich das Funktionsprinzip der Anlage. „Dort wird er mit Prozessmedium aus einer linear bewegten Beaufschlagungseinheit bearbeitet.“ Das Besondere daran: Die Bewegung der Beaufschlagungseinheit erfolgt nicht immer gleichförmig, sondern lässt sich so programmieren, dass häufig stärker verschmutzte oder schlechter zugängliche Stellen länger bestrichen werden.
Sensible Bewegungen pneumatisch steuern
Schaufler Engineering konstruierte auch die Förderanlage, auf der die Zylinderköpfe die Anlage durchqueren. Sie verfügt über einen Stopper, der das Werkstück an der Weiterfahrt hindert. Wegen des hohen Gewichtes der Zylinderköpfe wird dabei auch das Band angehalten. Sowohl das Air Knife als auch der Stopper und die Schotte, die den Prozessraum auf beiden Seiten verschließen, werden pneumatisch betätigt. Lediglich der Antrieb der Beaufschlagungseinheit erfolgt über einen Kugelgewindetrieb per Elektromotor. „Wir bevorzugen pneumatische Antriebe für schnelle Bewegungen nicht nur wegen der geringeren Kosten“, sagt Michael Albich. „Die langjährige Erfahrung mit pneumatischen Antriebskomponenten ermöglicht uns, auch sensible Bewegungen auf diese Weise zuverlässig und prozesssicher zu lösen.“
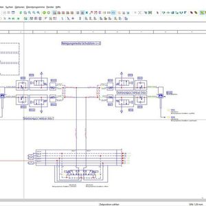
Fluid-Konstruktion mit Funktion
Neben der Erfahrung hilft den Pneumatik-Spezialisten bei Schaufler auch die passende CAE-Software. Bereits seit vielen Jahren nutzt Michael Albich Eplan Fluid. Die Software ermöglicht die automatisierte Projektierung und Dokumentation fluidtechnischer Anlagen nach aktuellen Standards wie zum Beispiel ISO 1219. Ausschlaggebend für seine Präferenz von Eplan Fluid gegenüber alternativen Lösungen sind die Funktionsintegration und die Herstellerunabhängigkeit der CAE-Software. „Die Softwaretools der Pneumatikanbieter sind eigentlich Kundenbindungsprogramme, die zur Verwendung der Produkte dieser Hersteller zwingen und mit Mechanik-CAD-Software lassen sich nur Zeichnungen anfertigen, aber die Funktion nicht überprüfen“, erläutert Michael Albich. „Im Gegensatz dazu beschränkt sich die Fluidkonstruktion mit Eplan Fluid nicht nur auf die Grafik, sondern beinhaltet sämtliche Logikfunktionen.“
Automatisiertes Engineering
Mit einfachem Handling, zahlreichen Prüffunktionen und Normenunterstützung beschleunigt Eplan Fluid die Konstruktion. Dabei erfolgt nicht nur das fluidspezifische Engineering und die Erstellung der Dokumentation automatisiert; auch sonst bietet die CAE-Software zahlreiche Automatismen.
So ist das Integrieren von über 260.000 Produkten der führenden Pneumatikhersteller möglich, deren fluidtechnische, mechanische und wenn vorhanden elektrische Eigenschaften im Eplan Data Portal zum Download bereitstehen. „Um stets herstellerunabhängig zu bleiben, nutzen wir dieses Angebot bewusst nicht, sondern erstellen sämtliche Teile mit ihren Fluid-Eigenschaften in Eplan Fluid und legen sie für die Wiederverwendung in der Makrobibliothek ab“, führt Michael Albich aus. „Da die Komponenten und Baugruppen für die konkrete Verwendung nur noch mit den passenden Parametern versehen werden müssen, automatisiert und beschleunigt das die Fluid-Konstruktion wesentlich.“ So konnte die komplette Fluid-Konstruktion der Sondermaschine innerhalb weniger Tage erfolgreich abgeschlossen werden.
Eplan-Plattform verbindet alle Engineering-Disziplinen
Über die Eplan-Plattform lässt sich das fluidspezifische Engineering für Pneumatik, Hydraulik, Schmierung und Kühlung mit allen weiteren Disziplinen verbinden. Die Sondermaschinenentwickler bei Schaufler Engineering arbeiten zwar rein pneumatisch und führen keine Elektroplanung durch; sie nutzen daher die Standalone-Variante von Eplan Fluid, zu deren Betrieb Eplan Electric P8 nicht erforderlich ist. „Dennoch ist das Zusammenspiel von Elektrotechnik und Pneumatik für uns wichtig, da wir eng mit Kunden und externen Elek-troplanern zusammenarbeiten, die meist Eplan Electric P8 verwenden“, erklärt Michael Albich. „Durch diese Fähigkeit der CAE-Software können beide Seiten parallel arbeiten und eine systemorientierte, mechatronische Entwicklung betreiben.“ Eine solche ist nicht nur durch die Parallelisierung der Aufgaben schneller, sondern auch weniger fehleranfällig und führt dadurch treffsicher zu optimalen Ergebnissen. (mz)
(ID:45887263)