Simulation Systemsimulation ersetzt Versuch und Irrtum
Die Ingenieure bei Hatebur wollten die neue Maschinenfunktion einer Umformmaschine testen. Einfaches Herumprobieren war in der Hydraulik keine Option – sie setzten stattdessen auf Systemsimulation.
Anbieter zum Thema

In horizontalen Umformmaschinen wird eine heiße Stange mit einer Temperatur von etwa 1250 °C über Einzugsrollen gegen einen festen Anschlag gezogen. Die Position des Anschlagkopfes muss dabei justierbar bleiben, um das richtige Abschnittvolumen für den Umformprozess zu gewährleisten. Die Anpassung der Abschnittlänge wird normalerweise von einem servomechanischen Aktuator übernommen. Jegliche Verbesserung des Schervorgangs hat einen großen Einfluss in Anbetracht der hohen Produktionsrate von Millionen von Teilen im Jahr.
Heutzutage gibt es umgeformte Teile mit bestimmten Bereichen, die keiner weiteren mechanischen Umformung nach dem Kaltkalibrierungsprozess bedürfen. Neben anderen Herausforderungen, die die Abschnittqualität betreffen, stellt sich die Frage, inwiefern die Rechtwinkligkeit des Abschnitts durch die Gestaltung des Anschlags verbessert werden kann. Aufgrund des begrenzten Bauraums, aus Kosten- und Zeitgründen, aber auch wegen der ausgeprägten Maschinendynamik, der wirkenden Kräfte und der angestrebten einfachen Justierbarkeit legten die Ingenieure beim Umformspezialist Hatebur die Folgeanschlagvorrichtung und andere Funktionen als servohydraulische Achsen aus:
- eine Achse für die Anpassung der Abschnittlänge (hier als X-Achse bezeichnet)
- eine Achse als Folgefunktion des Scherkopfes (hier als Y-Achse bezeichnet)
Über die Arbeitsweise von Umformmaschinen
Die Y-Achse muss so schnell wie möglich zurückfahren, bevor der Scherkopf seine maximale Auslenkung erreicht, damit etwaige Kollisionen mit den Zangen des Quertransports vermieden werden. Beide Achsen sind für eine Warmpresse mittlerer Größe, konkret für die AMP30, ausgelegt, welche in der Lage ist, Teile bis zu 0,7 kg bei einer Rate von 140 Teilen pro Minuten umzuformen. Für die Auslegung und die Tests selbst wurde die Produktionsrate auf 120 Hübe pro Minute gesetzt.
Abb. 1 (siehe Bildergalerie) zeigt den Zustand höchster Dynamik, denn die Y-Achse beginnt mit einer Verzögerung, sobald der Scherkopf einen durch das Design des Abschnittmessers bedingten Leerhub von 5 mm vollführt hat. Die Y-Achse beschleunigt während einer Auslenkung von 3 mm, um auf die Position des Scherkopfes aufzuschließen.
Das Scheren einer Stange mit einem Durchmesser von 32 mm bei einer Hubzahl von 120 Teilen pro Minute dauert mit einem offenen Abschnittmesser etwa 25 ms, wie in Abb. 1 zu sehen ist. Um die Reibung zwischen der heißen Stange und dem Anschlag zu minimieren, müssen die beiden Bewegungen des Scherkopfes und der Y-Achse fast synchron in kürzester Zeit ablaufen.
Fehler in der Bewegung begrenzen
Die Herausforderung bestand darin, die Servohydraulik derart auszulegen, dass sie in der Lage ist, den Fehler in der Positionssteuerung bei der desmodromischen Bewegung der Maschine von ±0,25 mm unter folgenden allgemeinen Bedingungen zu begrenzen: Bewegliche Masse von 70 kg, maximale Zeit für Aus- und Einfahren der Y-Achse darf 0,15 s betragen bei einem Hub von 45 mm.
Details zur Simulation
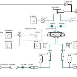
Auf der Grundlage eines ersten analytischen Ansatzes für den Nennvolumenstrom des Servoventils, der Zylinderabmaße, der bewegten Masse, der Last und der maximalen Verfahrgeschwindigkeit wurde das Simulationsmodell anhand von Parametern für einen Zylinder des Herstellers Hänchen und ein Servoventil von Moog erstellt (Abb.2).
Der Werkzeugraum der Warmpresse wurde für die experimentellen Tests komplett umkonstruiert. Durch die Befestigung der neuen Vorrichtung auf einer separaten Platte konnte das Gesamtsystem ohne eine reale Maschine in Betrieb genommen werden, was den Kostendruck für die Produktion senkt.
Die Reglerstruktur ist in erster Linie ein typischer geschlossener Regelkreis (P-Reglerblock). Eine zusätzliche Geschwindigkeitsaufschaltungsfunktion (v-Kommandoblock) erfüllt die Anforderungen der Maschinendynamik. Die Geschwindigkeitsaufschaltungsfunktion berechnet ein Signal als eine Ableitung des Positionsstellsignals, was durch einen Sum1-Block zum Steuersignal des P-Reglers hinzugefügt wird.
Simulation erhöht Systemrobustheit
Das neue Steuersignal durchläuft eine spezielle Funktion („Load_comp“-Block). Dieser Block verbessert die Robustheit des Systems wesentlich, indem er ein lastenabhängiges Stellsignal des Ventils berechnet. Während des Schervorgangs konnte eine Positionsabweichung von ±0,15 mm erreicht werden, was in der angestrebten Toleranz liegt. Das Lastkompensationsmodul hat einen entscheidenden Einfluss auf die Leistungsfähigkeit des servohydraulischen Systems während des Betriebs. Die Aufzeichnungen in Abbildung 3 zeigen deutlich, dass das Lastkompensationsmodul den Schleppfehler stark reduziert; der tatsächliche Positionswert ist fast identisch mit dem Positionsstellsignal.
Praxistest bestanden
Es bestand die Aufgabe, eine neue Maschinenfunktion einer desmodromisch gesteuerten Umformmaschine zu testen. Eine große Herausforderung beim Testen war die Tatsache, dass sich während der Produktion die Randbedingungen wie Last und Reibung ständig ändern. Diese Parameter sind nur schwierig – wenn nicht gar unmöglich – in einem Simulationsmodell zu implementieren. Deshalb offenbart das Lastkompenationsmodul seine Stärken erst unter Produktionsbedingungen in der echten Maschine, da das Ventilstellsignal dort automatisch angepasst wird, um den nötigen Volumenstrom, der von der Reglerstruktur berechnet wird, aufrechtzuerhalten.
Systemsimulation als zuverlässiges Werkzeug
Die Aufgabe, zu zeigen, wie realitätsgetreu die Simulationsergebnisse sind, sofern das Modell mit äußerster Sorgfalt und unter Berücksichtigung sämtlicher bekannten Parameter des geregelten Systems aufgebaut wird, haben die Hydraulik-Ingenieure hinreichend erfüllt. Die Software Simulation X der ESI ITI GmbH hat sich erfolgreich als ein zuverlässiges Werkzeug zur Modellierung von höchst dynamischen Servohydraulikaktuatoren erwiesen. (mz)
Simulation
Mit Simulation X komplexe Entwicklungsaufgaben meistern
* Dr. Mihai Vulcan, Hatebur Umformmaschinen AG, Reinach BL, Schweiz
(ID:44688332)