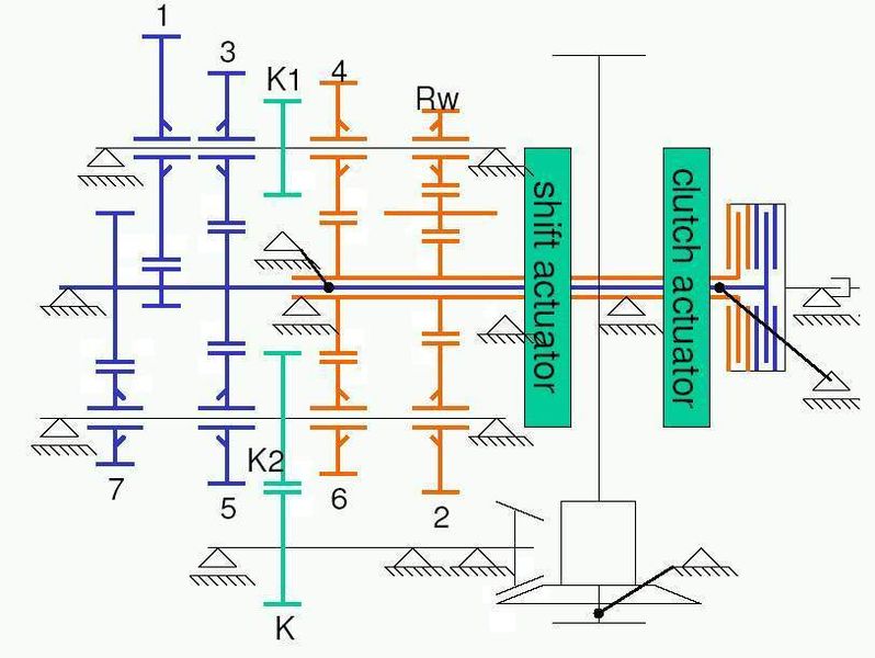
Doppelkupplungssystem der Extraklasse mit optimierter Mechatronik