Anbieter zum Thema
Drei Beispiele aus der Praxis
Mit einer elektromechanischen Zuhaltung für den Personenschutz lässt sich eine Schutztür in jedem gewünschten und benötigtem Performance Level (PL) nach EN ISO13849-1 absichern. Es muss also nicht immer eine moderne Zuhaltung mit integrierter Elektronik verwendet werden. Benötigt wird dazu nur die richtige Schaltungstechnik und die korrekte Auswahl der Sicherheitsbauteile. Drei praktische Beispiele zeigen, wie dies realisiert werden kann.
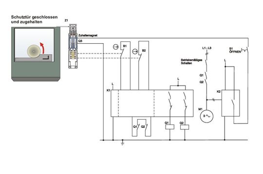
Beispiel 1: Zuhaltung in Kategorie 3 mit Fehlerausschluss
Vielfach wird in Applikationen für die Kategorie 3 nur eine einzige Zuhaltung angebracht, deren zwei Kontakte an eine Sicherheitsauswertung angeschlossen sind. Diese Schaltung erfüllt ganz offensichtlich die Hauptanforderung der Kategorie 3 nach redundanter Auslegung, denn die Elektrik ist vollständig zweikanalig aufgebaut. Auch die Diagnosefunktion scheint auf den ersten Blick ausreichend gut zu sein.

Beispiel kann Kategorie 3 erfüllen
Dennoch ist das Beispiel eine korrekte Applikation einer Zuhaltung und kann auch die Kategorie 3 erfüllen. Der Schlüssel hierzu ist ein sogenannter Fehlerausschluss, also die Feststellung, dass ein bestimmter Fehler nicht auftreten kann. Diese Ausschlüsse sind in der EN ISO13849-1 zugelassen. Im Teil 2 der Norm finden sich lange Listen zu den verschiedenen Konzepten, aus denen neben möglichen Fehlern auch herausgelesen werden kann, ob der zugehörige Fehlerausschluss überhaupt zulässig ist.
Um nun einen Fehlerausschluss auf das Brechen der Mechanik durchführen zu können, muss erreicht werden, dass dieser Fehler überhaupt nicht erst auftreten kann. Dazu kann z.B. der mechanische Teil der Zuhaltung so geschützt werden, dass keine Kräfte, die zu einem Ausfall führen könnten, auf die Zuhaltung einwirken können. Wenn das gewährleistet werden kann, ist ein Fehlerausschluss einfach zu begründen und auch zulässig.
Auflistung der Fehlerausschlüsse

Die EN ISO13849-2 lässt für Verriegelungen, die mit elektromechanischen Schaltern aufgebaut werden, im PLe kein Fehlerausschluss auf Versagen der Mechanik zu. Zu Zuhaltungen sagt diese Norm nichts. Das ist nun in der neuen EN ISO14119 geregelt worden. Bei Zuhaltungen ist in Abhängigkeit von der Risikobeurteilung auch ein Fehlerausschluss auf das Sperrmittel einer Zuhaltung in PLe möglich. Allerdings nur auf das Sperrmittel, also den Bolzen, der die eigentliche mechanische Kraft aufnimmt. Dies gilt nicht für die in jeder Zuhaltung enthaltene Funktion der Verriegelung. Somit kann die obige Schaltung, die ja einen Fehlerausschluss beinhaltet, keinen PLe erreichen, sondern nur einen PLd.
(ID:43447905)